2023-08-02

一、项目介绍
1、应用场景:智能通讯设备
2、选择型号:J11
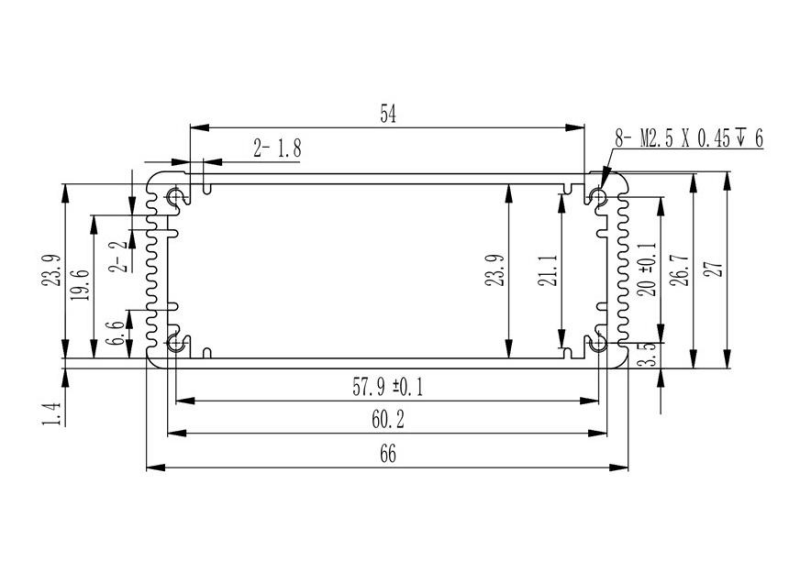
3、定制尺寸:66*27*56
4、使用型材:6063、5052铝型材
5、表面处理:阳极氧化-喷砂墨玉黑
![]() |
![]() |
![]() |
二、细节展示
![]() |
![]() |
![]() |
![]() |
![]() |
![]() |
三、案例说明
1.铝型材外壳尺寸
2.铝型材外壳加工流程
四:加工细节
![]() |
项目 | 说明 |
| 部件名称 |
壳体
|
|
| 部件尺寸 |
66-27-56
|
|
| 材料信息 |
6063-T5
|
|
| 表面处理 |
喷砂墨玉黑
|
|
| 加工工序 |
锯—攻牙—喷砂—氧化—激光打标—包装
|
![]() |
项目 | 说明 |
| 部件名称 |
A挡板
|
|
| 部件尺寸 |
66-27
|
|
| 材料信息 | 5052-H32 | |
| 表面处理 |
喷砂墨玉黑
|
|
| 加工工序 |
激光切割—倒角—手动拉丝—喷砂—氧化—激光
打标—包装
|
![]() |
项目 | 说明 |
| 部件名称 |
B挡板
|
|
| 部件尺寸 |
66-27
|
|
| 材料信息 | 5052-H32 | |
| 表面处理 |
喷砂墨玉黑
|
|
| 加工工序 |
激光切割—倒角—手动拉丝—喷砂—氧化—激光
打标—包装
|
![]() |
项目 | 说明 |
| 部件名称 |
碳钢镀镍十字沉头螺丝
|
|
| 部件尺寸 |
M2.5X6
|
|
| 材料信息 |
普通碳钢
|
|
| 表面处理 | / | |
| 加工工序 | / |