2023-07-27

一、项目介绍
1、应用场景:环境监测地质勘查仪器
2、选择型号:L09A
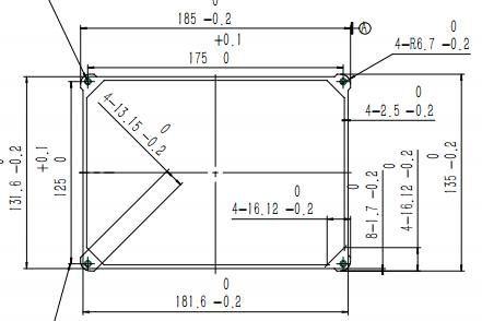
3、定制尺寸:185*135*64
4、使用型材:6063、6061、5052铝型材
5、表面处理:阳极氧化-喷砂/拉丝宝石蓝
6、防水等级:IP68
![]() |
![]() |
![]() |
二、细节展示
![]() |
![]() |
![]() |
![]() |
![]() |
![]() |
三、案例说明
2.铝合金外壳加工流程
四:加工细节
![]() |
项目 | 说明 |
| 部件名称 |
下盖
|
|
| 部件尺寸 |
219-139-6
|
|
| 材料信息 |
6061合金
|
|
| 表面处理 |
拉丝宝蓝
|
|
| 加工工序 |
CNC-倒角-攻牙-手抛打磨-手动拉丝-氧化-点胶-
包装
|
![]() |
项目 | 说明 |
| 部件名称 |
上盖
|
|
| 部件尺寸 |
182-139-6
|
|
| 材料信息 |
6061合金
|
|
| 表面处理 |
拉丝宝石蓝,激光
|
|
| 加工工序 |
CNC—倒角—手抛打磨—手动拉丝—氧化—激光
打标—点胶—包装
|
![]() |
项目 | 说明 |
| 部件名称 |
壳体
|
|
| 部件尺寸 |
185-135-64
|
|
| 材料信息 |
6063-T5
|
|
| 表面处理 |
喷砂宝石蓝,激光
|
|
| 加工工序 |
锯—激光开孔—攻牙—喷砂—氧化—多轴钻孔—
多轴攻牙—倒角—激光打标—包装
|
![]() ![]() |
项目 | 说明 |
| 部件名称 |
自粘橡胶垫
|
|
| 部件尺寸 |
19.32*9*1
|
|
| 材料信息 |
硅橡胶
|
|
| 表面处理 |
/
|
|
| 加工工序 |
/
|
![]() |
项目 | 说明 |
| 部件名称 |
不锈钢内六角杯头螺丝
|
|
| 部件尺寸 |
M3 X 8
|
|
| 材料信息 |
SUS304
|
|
| 表面处理 | / | |
| 加工工序 | / |