2023-11-11

一、项目介绍
1、应用场景:水利水务检测仪器
2、选择型号:G01
3、定制尺寸:175*35*105
4、使用型材:6063、5052铝型材
5、表面处理:阳极氧化-喷砂墨玉黑、喷砂宝石蓝
![]() |
![]() |
![]() |
二、细节展示
![]() |
![]() |
![]() |
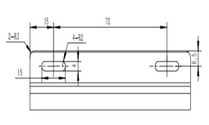
三、案例说明
1.铝型材外壳尺寸
2.铝型材外壳加工流程
四:加工细节
![]() |
项目 | 说明 |
| 部件名称 |
前面板
|
|
| 部件尺寸 |
145-35-2.5
|
|
| 材料信息 |
5052-H32
|
|
| 表面处理 |
喷砂宝石蓝激光
|
|
| 加工工序 |
激光切割—CNC—倒角—打磨(去毛刺)—喷
砂—氧化—激光打标—包装
|
![]() |
项目 | 说明 |
| 部件名称 |
后面板
|
|
| 部件尺寸 |
145-35-2.5
|
|
| 材料信息 |
5052-H32
|
|
| 表面处理 |
喷砂宝石蓝激光
|
|
| 加工工序 |
激光切割—CNC—倒角—打磨(去毛刺)—喷
砂—氧化—激光打标—包装
|
![]() |
项目 | 说明 |
| 部件名称 |
侧板
|
|
| 部件尺寸 |
25-35-102
|
|
| 材料信息 |
6063-T5
|
|
| 表面处理 |
喷砂墨玉黑
|
|
| 加工工序 |
锯—CNC—攻牙—打磨(去毛刺)—喷砂—氧
化—包装
|
![]() |
项目 | 说明 |
| 部件名称 |
底板
|
|
| 部件尺寸 |
140-102-2
|
|
| 材料信息 |
5052-H32
|
|
| 表面处理 |
喷砂墨玉黑
|
|
| 加工工序 |
激光切割—打磨(去毛刺)—喷砂—氧化—包装
|
![]() |
项目 | 说明 |
| 部件名称 |
上盖板
|
|
| 部件尺寸 |
129-102-2.5
|
|
| 材料信息 |
5052-H32
|
|
| 表面处理 |
喷砂墨玉黑
|
|
| 加工工序 |
激光切割—CNC—倒角—打磨(去毛刺)—喷
砂—氧化—包装
|
![]() |
项目 | 说明 |
| 部件名称 |
碳钢发黑十字沉头螺丝
|
|
| 部件尺寸 |
M3X6
|
|
| 材料信息 |
普通碳钢
|
|
| 表面处理 | / | |
| 加工工序 | / |