2023-08-28

一、项目介绍
1、应用场景:智能传输设备
2、选择型号:H29
3、定制尺寸:145-82-200
4、使用型材:6063、5052铝型材
5、表面处理:阳极氧化-拉丝星晖灰



二、细节展示
![]() |
![]() |
![]() |
![]() |
![]() |
![]() |
三、案例说明
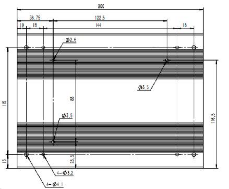
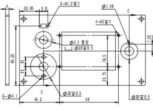
1.铝型材外壳内部尺寸
2.铝合金外壳加工流程
四:加工细节
![]() |
项目
|
说明
|
|
部件名称
|
下壳体
|
|
|
部件尺寸
|
145*43.5*200
|
|
|
材料信息
|
5052-H32
|
|
|
表面处理
|
拉丝星晖灰
|
|
|
加工工序
|
锯—CNC—攻牙—手动拉丝—氧化—包装
|
![]() |
项目
|
说明
|
|
部件名称
|
上壳体
|
|
|
部件尺寸
|
145*43.5*200
|
|
|
材料信息
|
6063-T5
|
|
|
表面处理
|
拉丝星晖灰
|
|
|
加工工序
|
锯—CNC—攻牙—手动拉丝—氧化—包装
|
![]() |
项目
|
说明
|
|
部件名称
|
后挡板
|
|
|
部件尺寸
|
145.5*82*2
|
|
|
材料信息
|
5052-H32
|
|
|
表面处理
|
拉丝星晖灰
|
|
|
加工工序
|
激光切割—倒角—手动拉丝—氧化—包装
|
![]() |
项目
|
说明
|
|
部件名称
|
前挡板
|
|
|
部件尺寸
|
145.5*82*2
|
|
|
材料信息
|
5052-H32
|
|
|
表面处理
|
拉丝星晖灰
|
|
|
加工工序
|
冲压—倒角—折弯—手动拉丝—喷砂—氧化—激
光打标—包装
|
![]() |
项目 | 说明 |
| 部件名称 |
定制铝板
|
|
| 部件尺寸 |
165*139.8*1.5
|
|
| 材料信息 | 5052-H32 | |
| 表面处理 |
拉丝星晖灰
|
|
| 加工工序 |
CNC—倒角—攻牙—手动拉丝—氧化—包装
|
![]() |
项目
|
说明
|
|
部件名称
|
碳钢镀镍十字沉头螺丝
|
|
|
部件尺寸
|
M4X8
|
|
|
材料信息
|
碳钢
|
|
|
表面处理
|
/
|
|
|
加工工序
|
/
|