2023-07-25

一、项目介绍
1、应用场景:影音功放仪器外壳
2、选择型号:E04
3、定制尺寸:316*91*280
4、使用型材:5052铝型材
5、表面处理:阳极氧化-喷砂星晖灰
![]() |
![]() |
![]() |
二、细节展示
![]() |
![]() |
![]() |
![]() |
![]() |
![]() |
三、案例说明
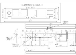
1.钣金折弯外壳尺寸
2.钣金折弯外壳加工流程
四:加工细节
![]() |
项目 | 说明 |
| 部件名称 |
上盖
|
|
| 部件尺寸 |
598.67-280(折弯展开尺寸)
|
|
| 材料信息 |
5052-H32
|
|
| 表面处理 |
喷砂皓月银,180目 阳极氧化
|
|
| 加工工序 |
激光切割—CNC—手抛打磨—手动拉丝—折弯—
喷砂—氧化—包装
|
![]() |
项目 | 说明 |
| 部件名称 |
底盖
|
|
| 部件尺寸 |
424.06-403.06(折弯展开尺寸)
|
|
| 材料信息 | 5052-H32 | |
| 表面处理 |
喷砂星晖灰,180目,激光
|
|
| 加工工序 |
激光切割—倒角—手抛打磨—手动拉丝—折弯—
喷砂—氧化—压铆—激光打标—包装
|
![]() |
项目 | 说明 |
| 部件名称 |
附件
|
|
| 部件尺寸 |
323.30-79.03
|
|
| 材料信息 | 5052-H32 | |
| 表面处理 |
喷砂皓月银,180目
|
|
| 加工工序 |
激光切割—冲压—攻牙—手抛打磨—手动拉丝—
折弯—喷砂—氧化—包装
|
![]() |
项目 | 说明 |
| 部件名称 |
机脚
|
|
| 部件尺寸 |
14.5(直径)
|
|
| 材料信息 | 5052-H32 | |
| 表面处理 |
喷砂皓月银,180目
|
|
| 加工工序 |
车—喷砂—氧化—包装
|
![]() |
项目 | 说明 |
| 部件名称 |
支撑座
|
|
| 部件尺寸 |
14(直径)
|
|
| 材料信息 | 5052-H32 | |
| 表面处理 |
喷砂皓月银,180目
|
|
| 加工工序 |
车—喷砂—氧化—包装
|
![]() |
项目 | 说明 |
| 部件名称 |
碳钢镀镍十字沉头螺丝
|
|
| 部件尺寸 |
M4X30
|
|
| 材料信息 |
碳钢 镀镍
|
|
| 表面处理 | / | |
| 加工工序 | / |