2023-08-02

一、项目介绍
1、应用场景:终端数据采集器
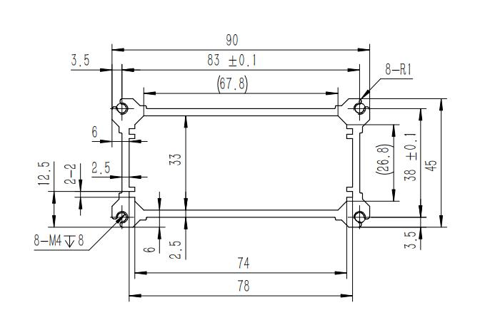
2、选择型号:M07
3、定制尺寸:90*45*180
4、使用型材:6063铝型材、ADC12
5、表面处理:阳极氧化-喷砂皓月银、喷涂黑色
6、防水等级:IP68
![]() |
![]() |
![]() |
二、细节展示
![]() |
![]() |
![]() |
![]() |
![]() |
![]() |
三、案例说明
2.防水铝外壳加工流程
四:加工细节
![]() |
项目 | 说明 |
| 部件名称 |
壳体
|
|
| 部件尺寸 |
90-45-180
|
|
| 材料信息 |
6063-T5
|
|
| 表面处理 |
喷砂皓月银
|
|
| 加工工序 |
锯—攻牙—喷砂—氧化—包装
|
![]() |
项目 | 说明 |
| 部件名称 |
前端盖
|
|
| 部件尺寸 |
83.6-38.6-16.5
|
|
| 材料信息 |
ADC12
|
|
| 表面处理 |
喷涂黑色
|
|
| 加工工序 |
CNC—包装
|
![]() |
项目 | 说明 |
| 部件名称 |
后端盖
|
|
| 部件尺寸 |
83.6-38.6-16.5
|
|
| 材料信息 |
ADC12
|
|
| 表面处理 |
喷涂黑色
|
|
| 加工工序 |
CNC—包装
|
![]() |
项目 | 说明 |
| 部件名称 |
支脚
|
|
| 部件尺寸 |
93.4-32.33-14
|
|
| 材料信息 |
SUS 304
|
|
| 表面处理 |
毛坯
|
|
| 加工工序 |
激光切割—手抛打磨—手动拉丝(去毛刺)—折
弯—包装
|
![]() |
项目 | 说明 |
| 部件名称 |
不锈钢球面圆柱头螺丝
|
|
| 部件尺寸 |
M4X12
|
|
| 材料信息 |
SUS304
|
|
| 表面处理 | / | |
| 加工工序 | / |